Les conducteurs ohmiques

Ce QCM est noté sur 12. Chaque question peut avoir une, plusieurs ou aucune réponses exactes.
Chaque réponse juste donne 1 point. (Il y a donc 12 réponses justes).
Chaque réponse fausse retire 1 point. (Il vaut donc mieux être sûr de ses réponses.)

Question 1

Dans le circuit ci-contre :

La tension est la même aux bornes de chaque conducteur ohmique.
l'intensité est la même dans chaque conducteur ohmique.
les 2 conducteurs ohmiques ont la même résistance.
les 2 conducteurs ohmiques peuvent être remplacés par un seul de résistance 50 ohms



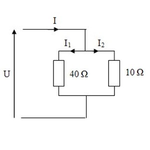
Question 2

Dans le circuit ci-contre :

U1 / 40 = U2 / 10
U1 = U / 2
U / 50 = U1 / 40
U1 x 40 = U2 x 10



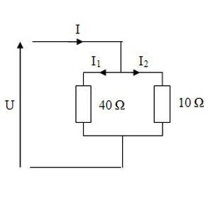
Question 3

Dans le circuit ci-contre :

U2 = U / 10
U2 = U / 5
U2 = U / 2
U2 = U / 4



Question 4

Dans le circuit ci-contre :

La tension est la même qux bornes de chaque conducteur ohmique.
L'intensité est la même dans chaque conducteur ohmique.
Les 2 résistances sont identiques.




Question 5

Dans le circuit ci-contre :

Les 2 conducteurs ohmiques peuvent être remplacés par un seul de résistance 50 ohms.
Les 2 conducteurs ohmiques peuvent être remplacés par un seul de résistance25 ohms.
Les 2 conducteurs ohmiques peuvent être remplacés par un seul de résistance 8 ohms.




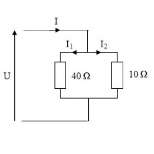
Question 6

Dans le circuit ci-contre :

I = I1 + I2
I1 = I2
10 x I1 = 40 x I2
10 x I2 = 40 x I1



Question 7

Dans le montage ci-contre, on mesure U2= U3 et I1= I2. On peut alors dire que :

R1 = R2
R2 = R3
R1 = 2 . R2
R1 et R2 sont en parallèles



Question 8

Dans le montage ci-contre, on mesure U2= U3 et I1= I2. On peut alors dire que :

U1= U3
U2= U1 / 2
U1= U2 / 2





Merci de cliquer sur le bouton ci-dessous pour obtenir la correction de votre QCM